Mag-email sa Amin
Balita

Konstruksyon at pagpapanatili ng mga mini excavator

Konstruksyon at pagpapanatili ng mga mini excavator


Mini Excavator Construction Innovation at Intelligent Maintenance: Maliit na Katawan na nagdadala ng Malaking Proyekto


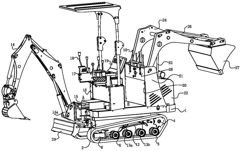
1 、 Pagtatasa ng Konstruksyon ng Mini Excavator: Apat na Dimensional na Teknolohiya Reshaping Ang 'Space Magician'

Chassis at Walking System:


Ang disenyo ng pag -on ng Tailless: Ang mga modelo tulad ng Sany Sy18U ay nagpatibay ng isang "zero buntot na protrusion" na istraktura, na may isang buntot na lumiliko ng radius na 0.86 metro lamang, na nagpapahintulot sa 360 ° libreng pag -ikot sa makitid na mga lagusan nang hindi bumangga sa mga dingding. Kasabay nito, ang aming 0.8ton mini excavator ay maaari ring makamit ang isang radius na 1.1m, na nagpapahintulot sa libre at nababaluktot na operasyon sa makitid na mga puwang.


Adjustable track frame: Ang track gauge ay maaaring malayang nababagay (tulad ng SY16C na sumusuporta sa 980-1350mm pagpapalawak at pag-urong), na ginagawang madali ang pagtawid ng mga makitid na daanan ng 1 metro. Ang goma track grounding pressure ay mas mababa sa 25kpa, na pinoprotektahan ang aspaltadong lupa.


Self Lubricating Bearings: Ang Yanmar Chassis ay gumagamit ng Iglidur G Series plastic bearings sa halip na tradisyonal na mga bearings ng bola, na kung saan ay anti fouling, anti kalawang, at walang pagpapanatili, pagtaas ng buhay ng serbisyo nang tatlong beses.




Power at Hydraulic System:


Dual Mode Power Revolution: Ang Maliit na Excavator ay nagpatibay ng Kubota KX019, na sumusuporta sa Diesel/Electric One click switch, isang 20kWh baterya pack ay nagbibigay ng 8-oras na saklaw, at ang panloob na ingay ng operasyon ay mas mababa sa 66 decibels.


Ang Intelligent Hydraulic Control: Ang teknolohiyang sensitibo sa pag-load (tulad ng Shengang SK35SR-6) ay nakakamit ng kawastuhan ng pamamahagi ng daloy ng ± 1.8%, pinagsama-samang bilis ng pagtugon ng pagkilos na 0.7 segundo, at pagbawas ng pagkonsumo ng enerhiya ng 22%.




Pagpapahusay ng mga kagamitan sa pagtatrabaho:


Magsuot ng istraktura na lumalaban: Ang articulated joint ng compact excavator's boom ay sumailalim sa carburizing heat treatment (katigasan HRC55+), at ang balde ay welded na may Hardox500 wear-resistant plate (katigasan HB500), na nagpapalawak ng buhay ng serbisyo sa pamamagitan ng 30%.


Side Moving Arm Patent: Kubota U-15-3s nakamit ang kaliwang paglihis ng 595mm/kanang paglihis ng 350mm, at ang dingding na naka-mount na paghuhukay ay hindi nangangailangan ng paglipat ng katawan.


Rotary Device, 360 ° all-round operation, nababaluktot upang umangkop sa iba't ibang mga nagtatrabaho na kapaligiran.


Pag -upgrade ng pakikipag -ugnay sa computer ng tao


Roll Over Resistant Cab: Sertipikado ng mga ROP/FOP (lumalaban sa 16 tonelada ng static pressure), na nilagyan ng mga lumulutang na upuan, LCD touch screen, at pagsubaybay sa view ng AI, pagbabawas ng mga bulag na lugar ng 40%.


2 、 Pagpapanatili at Pang -araw -araw na Pagpapanatili:

Ang gintong panuntunan ng pang -araw -araw na pagpapanatili


Hydraulic Oil Management: Gumamit ng Anti-wear Hydraulic Oil No. 68 sa Tag-init at Mababang Viscosity Oil No. 32 sa taglamig. Regular na suriin ang kalinisan ng NAS (≤ Antas 8) upang maiwasan ang pagsusuot ng bomba at balbula.


Butter Filling Cycle: Mag-iniksyon ng grasa tuwing 10 araw para sa rotary tindig, at mag-iniksyon ng high-pressure grasa tuwing 4-8 na oras para sa bisagra point ng gumaganang aparato upang maiwasan ang pin shaft na natigil.




Key Technique Life Extension Technique:


Sistema ng Track: Ayusin ang pag -igting upang maiwasan ang pagiging masyadong maluwag (paglukso ng ngipin) o masyadong masikip (pabilis na pagsusuot); Regular na linisin ang graba upang maiwasan ang pagkabigo ng pagbubuklod ng pagsuporta sa gulong.


Pagpapanatili ng "Magsuot ng Iron Triangle":

Subaybayan ang inspeksyon ng sapatos para sa mga bitak/500h

Ang mga ngipin ng sprocket ay ground flat at pinalitan kaagad

Ang inert wheel seal na pagtagas ng langis ay kailangang ayusin

Ayon sa Stowers Cat Statistics, 80% ng mga pagkabigo ng tsasis ay sanhi ng tatlong uri ng mga sangkap na ito.


Mga Alituntunin para sa Paghahawak ng Lubhang Mga Kondisyon sa Paggawa:


Mataas na operasyon ng taas: Ang turbocharged engine ng mini excavator ay may isang kabayaran sa kuryente na 15%, at ang haydroliko na sistema ay nilagyan ng isang balbula ng kabayaran sa presyon upang maiwasan ang pagkawala ng daloy.

Operasyon ng Wading Wading: Sa pagligtas ng baha sa Italya, nakamit ng modernong HX35az ang isang lalim na lalim na 0.8 metro sa pamamagitan ng isang selyadong circuit module.


Mga Pamantayan sa Pag -iimbak ng Long Term:


Mag -park sa isang dry room, suportahan ang mga track upang mabawasan ang grounding pressure;

Punan ang tangke ng gasolina upang maiwasan ang paghalay, bawiin ang lahat ng mga hydraulic cylinders upang maiwasan ang pag -iipon ng selyo;

Magsimula nang isang beses bawat 3 buwan upang maiwasan ang circuit board mula sa pagkuha ng mamasa -masa.


3 、 Technological Frontier: Electrification at Intelligent Restructuring of Industrial Ecology

Rebolusyong Power:


Modular Baterya: Sinusuportahan ng Hitachi ZX55U-6EB ang dalawahang drive ng komersyal na kapangyarihan at baterya, na may 2-oras na mabilis na singilin upang matugunan ang 10 oras ng operasyon sa 6 na oras.


Hydrogen Energy Test: Ang HD Hyundai ay nakabuo ng isang hydrogen fuel engine (HX12) upang makamit ang zero na konstruksiyon ng carbon.


Predictive Maintenance:


IoT Remote Diagnosis: Ang Sany Sy35U ay nilagyan ng Hi Mate System, na pinag -aaralan ang temperatura ng langis at data ng panginginig ng boses sa real time, na may isang rate ng katumpakan ng babala na 92%.


AR Maintenance Assistance: Ang Kaise Micro Excavator ay nagbibigay ng pagsasanay sa operasyon ng VR para sa mga maliliit na excavator, na ginagaya ang 30 mga sitwasyon sa kasalanan at pagpapabuti ng kahusayan sa pagpapanatili ng 40%.


4 、 Praktikal na Saksi: Mula sa Sinaunang Pagpapanumbalik ng Bahay hanggang sa Pagmimina

Ang pagpapanumbalik ng tirahan ng isang scholar ng dinastiya ng Ming at Qing sa Taizhou: Kubota U-15-3s maliit na paghuhukay ay nakumpleto ang paghuhukay ng isang underground pipe trench sa pamamagitan ng isang 0.85 metro na arko, at ang pag-ilid ng paggalaw ng paggalaw ng boom ay protektado ang sinaunang pader na may 95% na rate ng rate.


Ang mga operasyon sa ilalim ng lupa sa isang minahan ng tanso ng Chile: isang compact excavator na may binagong reinforced cab na patuloy na nagpapatakbo ng patuloy na 300 oras nang walang anumang mga pagkakamali, na nagreresulta sa isang 23% na pagbawas sa mga gastos sa pag -load.


Tokyo Nighttime Municipal Construction: Ang Pure Electric Bersyon ng Sany Sy19e Mini Excavator ay nagpapatakbo nang tahimik sa 66 decibels, na nalulutas ang problema ng "window ng oras ng konstruksyon" ng lungsod.


Konklusyon: Ang isang maliit na katawan ay nagdadala ng isang malaking hinaharap

Mula sa 0.8-ton na ultra-manipis na modelo hanggang sa 4-toneladang mabibigat na mandirigma, ang mga maliliit na excavator ay sumasailalim sa isang triple ebolusyon ng konstruksyon ng katumpakan, sari-sari na mapagkukunan ng enerhiya, at intelihenteng pagpapanatili, muling pagsasaayos ng pandaigdigang paradigma ng konstruksyon. Sa taunang mga benta na higit sa 3100 mga yunit sa merkado ng India at isang tinantyang rate ng pagtagos ng 40% para sa mga de -koryenteng motor sa pamamagitan ng 2025, ang rebolusyong teknolohikal na ito ng "gamit ang maliit upang makakuha ng malaki" ay nakalaan upang matuklasan ang isang gintong pagkakataon sa merkado ng trilyong dolyar.


Karanasan sa Pagpapanatili ng Industriya:

Para sa mga compact excavator, ang disenyo ng katumpakan ay ang gulugod, habang ang intelihenteng pagpapanatili ay ang lifeblood, pag -save ng mga gastos sa pagpapanatili ng 1 yuan at pagbabawas ng mga gastos sa pag -aayos ng 10 yuan.



Mga Kaugnay na Balita
Mag-iwan ako ng mensahe
Mobile
Address
Changjiang West Road, Huangdao District, Qingdao City, Shandong Province, China
X
Gumagamit kami ng cookies para mag-alok sa iyo ng mas magandang karanasan sa pagba-browse, pag-aralan ang trapiko sa site at i-personalize ang content. Sa paggamit ng site na ito, sumasang-ayon ka sa aming paggamit ng cookies. Patakaran sa Privacy
Tanggihan Tanggapin